了解你所用語言和所在地區的世邦工業的信息.
24H全國咨詢熱線
021-58386699
該標準規定了高性能混凝土用骨料、試驗檢驗、標志、儲存和運輸的規則,適用于建設工程中水泥混凝土及其制品和普通砂漿用砂。
手機隨時查詢掃碼查看
為了給您更高效的服務,歡迎點擊“在線咨詢”直接聯系我們在線工程師!
需求提交成功,正在為您下載......
或者點擊
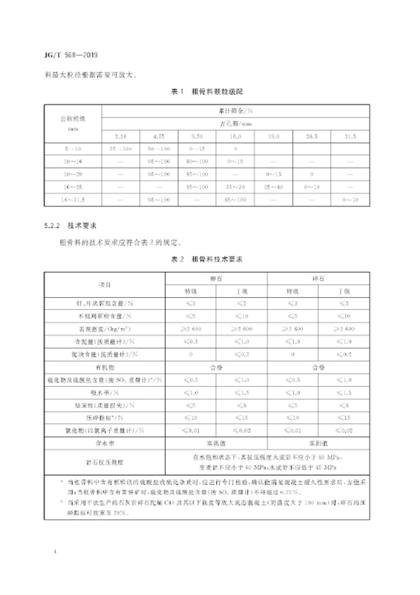
高性能混凝土用骨料
保存文件
全國服務熱線:400-696-1899
銷售熱線:021-58386699
滬ICP備06053530號-1© 世邦工業科技集團股份有限公司 版權所有網站地圖 | 法律聲明 | 聯系我們