了解你所用語言和所在地區的世邦工業的信息.
24H全國咨詢熱線
021-58386699
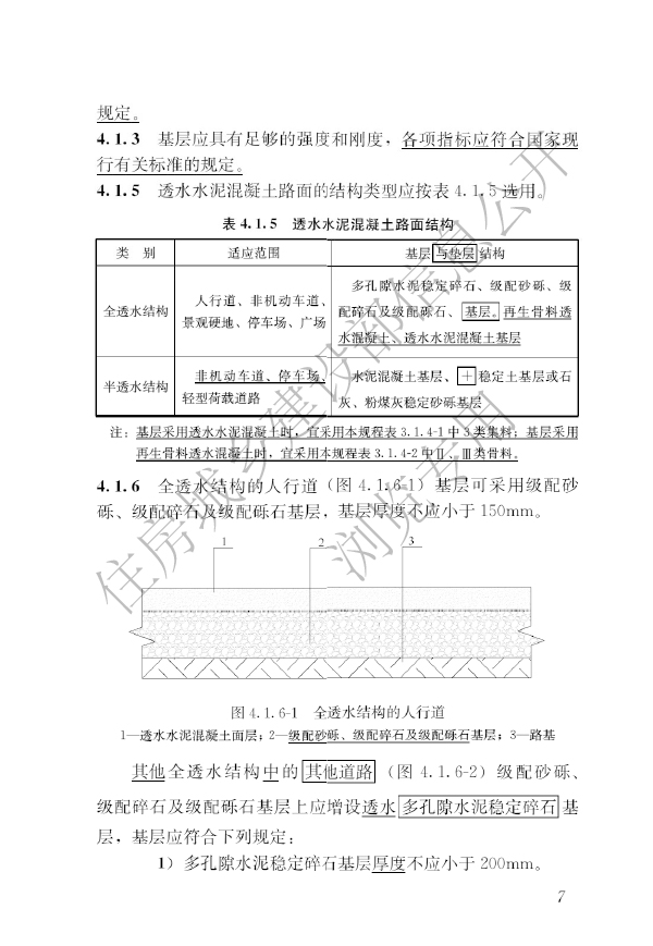
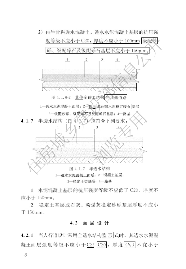
本規程適用于新建的城鎮輕荷載道路、園林中的輕型荷載道路、居住區內道路、廣場和停車場等透水水泥混凝土路面的設計、施工、驗收和維護。本規程不適用于嚴寒地區、濕陷性黃土地區、鹽漬土地區、膨脹土地區的路面。
手機隨時查詢掃碼查看
為了給您更高效的服務,歡迎點擊“在線咨詢”直接聯系我們在線工程師!
需求提交成功,正在為您下載......
或者點擊
透水水泥混凝土路面技術規程
保存文件
全國服務熱線:400-696-1899
銷售熱線:021-58386699
滬ICP備06053530號-1© 世邦工業科技集團股份有限公司 版權所有網站地圖 | 法律聲明 | 聯系我們